浅谈基于GPRS的多功能塔机安全监控系统的设计您的位置:首页 > 行业知识

浅谈基于GPRS的多功能塔机安全监控系统的设计

来源:恺德尔起重机安全监控管理系统专家 发表日期: 2019-05-27 18:14:00

 塔机是建筑施工中的关键设备,随着大规模应用,它的安全问题也越来越突出。塔机的事故原因可以归纳为:①由于超载造成的整体倾翻;②由于塔机工作人员的违规操作或者疏忽以及监控设备不够智能而未能及时发现臂架的损坏; ③由于塔机自身设计原因、安装过程不规范而导致的事故; ④由自然灾害造成的事故,如风力过大等;⑤由于塔机工作位置天气原因,经常下雨,暴晒等。如果塔机由于以上等原因发生事故,会发生塔机损毁等情况,甚至可能造成人员伤亡,造成无法弥补的巨大损失。设计多功能塔机黑匣子,实时监控塔机的运行状态并及时预警,避免一些重大事故的发生,具有重要的经济和社会效益。

1 塔机黑匣子总体组成

     塔机的黑匣子按照模块划分成信息采集单元、中央信息处理单元、无线收发单元和PC 监控单元,四个单元共同完成塔机的监控功能。从硬件方面来划分,主要由网关、路由节点、传感器节点等3 大部分组成。塔机黑匣子功能模块及硬件构成如图1 所示。

 

 

2 硬件概述

2.1 网 关

    通过计算机下达指令,发送或接收路由节点或者传感器节点数据,并将接收到的数据反馈给PC 机。网关节点由网关底板+GPRS 无线高频模块组成。网关节点的通信方式一般有两种:①通过USB 接口和计算机连接;②网关内置GPRS 模块和各无线传感器网络节点连接通信。所有传感器数据的汇总、分析、存储和发送都由网关节点完成。它的工作流程为:由PC 机发送指令,网关接收并判断指令是否可用,然后网关分析这条指令是要哪条节点的信息,该节点发送数据回到网关,最后再由网关把数据以既定的方式反馈给PC 机,PC 机通过应用软件实时监控塔机工作状态。

2.2 路由节点

     在网关不能和所有的传感器节点进行数据传输时,我们可以把路由器作为一种中介来使网关和传感器节点连接,这就是路由通信功能。C51RF-WSN 无线传感器网络开发系统主要硬件有C51RF-WSN 仿真器、GPRS 无线高频模块、网关底板、采集板DA100、传感器扩展板DA300等五种。但是有时候传感器不能直接与网管通信,这个时候我们需要用到路由器节点,它可以达到以上两者通信的功能。

2.3 传感器节点

    传感器节点由采集板

2.3 传感器节点

    传感器节点由采集板DA100+GPRS 无线高频模块或采集板DA100+ 传感器扩展板DA300+GPRS 无线高频模块完成对设备的控制和数据的采集。传感器节点主要完成风速、小车行程、起重量等物理量的收集,BEEP( 蜂鸣器)LED 测试小灯、数据发送等功能。传感器在采集到塔机现场工作状态模拟信号后,由GPRS 模块内的CC2430 单片机AD 转换成数字电压,再通过GPRS 射频部分将其发送给网关或路由器节点。

2.4 主要传感器测试原理与选型

     传感器的作用是将现场的各种物理量转换成电信号传送给微处理器,系统能否准确详细地反映塔机的实时工作状态,为塔机操作人员提供良好的运行状态信息,传感器的选型至关重要,综合考虑塔机运行时需监测的主要参数有:起重

量、起升高度、小车变幅、塔机转角、起重力矩、风速等。塔机涉及不同种类的多参数状态量的检测,必须在满足监测精度需要的同时,兼顾经济性。

1 为主要传感器参数表。

 

 

2.5 主要部分电路设计

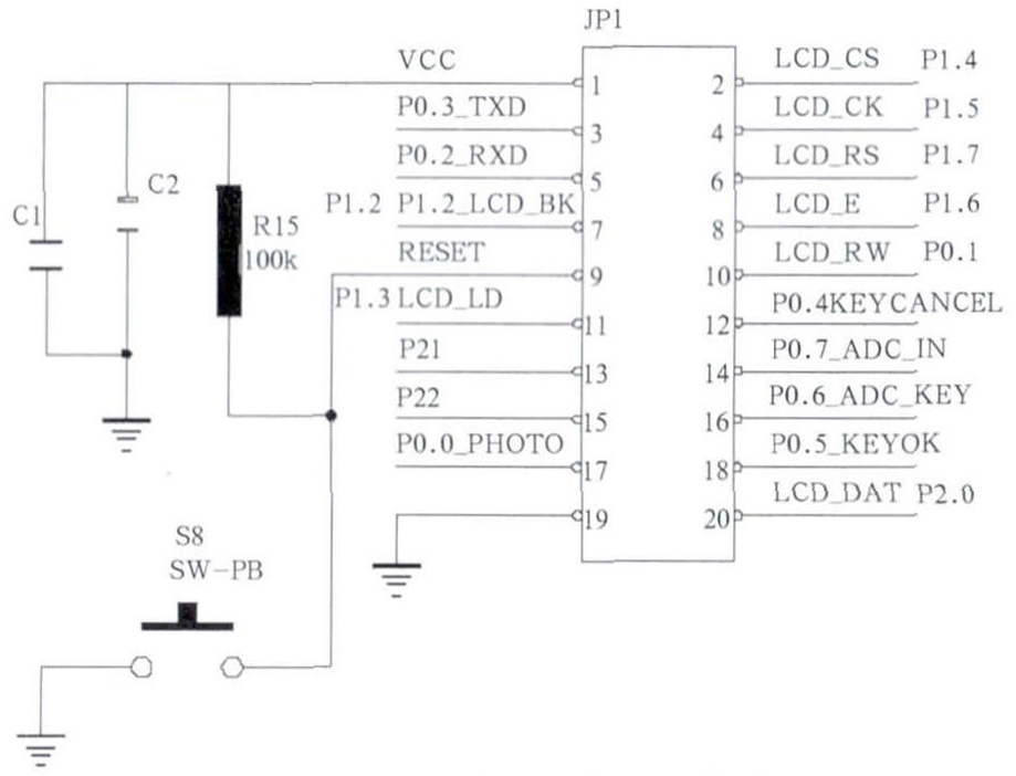
     1)C51RF-3-PK 接口模块 C51RF-3-PK开发板提供了一个标准的无线龙无线模块通用接口,这个接口将芯片的硬件资源向外扩展出来,用户可以根据自己的需要制作外围设备,也可用不同的CPU 来使用该开发板。模块接口电路图见图2

      

2)液晶接口 液晶采用的是OCM12864-9

     图形点阵液晶显示模块,该模块提供了一个完善的驱动电路,提供了20 个引脚作为和设备的连接接口。该模块的位并行数据通信,采用了74HC595 解码来节约更多的端口方便二次开发,

如图3 所示。

    

3 软件设计

     3.1 下位机软件设计

     我们首选IAR 来完成对芯片CC243 程序编辑、编译、调试、仿真、下载等工作。IAREmbedded Workbench 的编译器和调试器是目前切合嵌入式应用开发最好的工具。用GPRS 与栈协议ZStack-CC2430-1.4.2-1.1.0 建立无线传感器协议,设置编译选项,计算机通过串口和无线射频模块进行通信,再对应用层里的程序进行修改。建立网络并绑定传感器模块和接收模块,绑定成功后开始发送数据接收数据后引发SYS_EVENT_MSG 事件,然后调用函数进行处理,最后通调zb_ReceiveDataIndication 函数中的debug_str 函数将接收到的数据通过计算机串口发送给计算机。其软件流程图如图4 所示。

    

  

3.2 上位机用户交互设计

     上位机应用程序中主要控件有MS C h a r t图表控件和Ser i a l Port串口通信两种。串口通信可以让计算机通过串口与大部分硬件相连接, 也可以读取下位机反馈回来的数据, 定义数据函数Ge tDa ta(),定义获取数据线程GetDataThread,在窗体加载函数中用数据线程反复检测下位机反馈回来的数据。定义传输数据线程DataProcessThread,通过启用传输数据线DataProcessThread.Start传输数据。

3.3 系统数据库设计

      系统数据库采用SQL Server 2005, 数据库设计采用E-R 模型,本系统的数据库名为FineComm,共设置6 张表,分别为F_Sensor( 传感器表)F_CommStation( 监测站点表)F_Division(监测站点分组表)、F_StationState( 监测站点状态表)F_Data( 历史数据表)、F_Maxinmun( 监测站点限值表),其中传感器表结构如表3 所示。

4 结 语

      基于GPRS 的塔机无线监控系统,具备系统简单、成本低等特点。下位节点间具有标准化的网络通讯标准和网络拓扑管理,组网十分方便。监控参数采集准确,更新速度快,满足了实时性的要求,应用前景较为广泛