按照国标要求,哪些起重机必须安装监控系统?您的位置:首页 > 行业知识

按照国标要求,哪些起重机必须安装监控系统?

来源:恺德尔起重机安全监控管理系统专家 发表日期: 2025-11-25 15:54:00
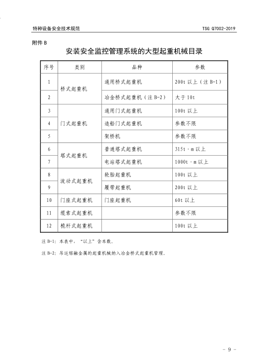
  1. 国家市场监督管理总局与应急管理部联合发布的《起重机械安全技术规程》(TSG 51-2023)附录A《安装安全监控管理系统的大型起重机械目录》,以及国家标准《起重机械安全监控管理系统》(GB/T 28264-2017),共同构成了强制安装的法规与技术标准体系。
    必须安装的起重机类型及参数门槛
    1. 桥式起重机
    通用桥式起重机:额定起重量 ≥200吨。
    依据:TSG 51-2023附录A明确将200吨及以上通用桥式起重机纳入强制安装范围。
    冶金桥式起重机:额定起重量 >10吨。
    依据:冶金行业因高温、重载等特殊工况,对安全监控要求更高,10吨以上设备需强制安装。
    2. 门式起重机
    通用门式起重机:额定起重量 ≥100吨。
    依据:TSG 51-2023附录A将100吨及以上通用门式起重机列为强制安装对象。
    造船门式起重机:所有参数设备均需安装。
    依据:造船作业环境复杂,设备运行风险高,无论起重量大小均需监控。
    3. 塔式起重机
    普通塔式起重机:额定起重力矩 ≥315吨·米。
    依据:GB/T 28264-2017及TSG 51-2023均明确315吨·米及以上塔式起重机需安装监控系统。
    电站塔式起重机:额定起重力矩 ≥315吨·米。
    依据:电站建设场景对设备稳定性要求极高,315吨·米以上塔式起重机需强制监控。
    4. 架桥机
    所有参数设备均需安装。
    依据:架桥机作业涉及高空、重载、动态平衡等高风险场景,无论参数大小均需实时监控。
    5. 门座起重机
    额定起重量 ≥60吨。
    依据:TSG 51-2023附录A将60吨及以上门座起重机纳入强制安装范围。
    未明确列入但建议安装的设备
    对于未在附录A中明确列出的起重机,若其实际参数(如层数、载荷、作业环境等)达到或接近同类大型设备水平,建议参照同类设备要求安装监控系统。例如:200吨以下但接近临界值的通用桥式起重机;100吨以下但作业环境复杂的通用门式起重机。
    安装监控系统的核心功能要求
    根据GB/T 28264-2017,监控系统需具备以下功能:
    实时监测:采集起重量、起重力矩、起升高度、运行行程、幅度、风速等10类关键参数。
    报警功能:超限自动报警,部分系统可联动切断控制回路电源。
    数据存储:存储≥3个月运行数据,支持历史追溯。
    应急联动:与远程监测中心对接,实现远程监控与应急指挥。